工廠地址:深圳市寶安區福永街道鳳凰興業一路華倫科技園21棟2樓
楊 總:13828709518
雷 總:13923457816
郵箱:yangdekai@hctlcd.com
QQ:417594796
Products Center
Contact Us
工廠地址:深圳市寶安區福永街道鳳凰興業一路華倫科技園21棟2樓
楊 總:13828709518
雷 總:13923457816
郵箱:yangdekai@hctlcd.com
QQ:417594796
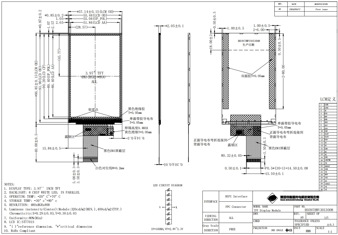
| 型號 | H0397HWV30I3008 |
| 尺寸 | 3.97 inch |
| 分辨率 | 480×800 |
| 接口 | 30PIN MIPI |
| 外觀尺寸 | 57.14(H)*96.85(V)*2.05(D) |
| 顯示尺寸 | 51.84(H) *86.4(V) |
| 亮度 | 400 nits |
| 視角 | ALL |
| 工作溫度 | -20℃ ~ +70℃ |
| 觸摸屏 | 可定制觸摸 |
接口定義:

產品參數:

產品圖紙:
